Описание
Курсовая МТИ Потребители и источники производства теплоты. Тема: Технологическое потребление пара и горячей воды Расчета рекуперативного теплообменника. Направление подготовки 13.03.01 Теплоэнергетика и теплотехника. Готовый вариант курсовой работы с оценкой 90/100 баллов «Отлично».
Содержание
Введение
Основная часть
1. Классификация потребителей тепловой энергии
1.1. Сезонные потребители
1.2. Круглогодичные потребители
2. Технологическое теплопотребление
2.1. Пароснабжение предприятий
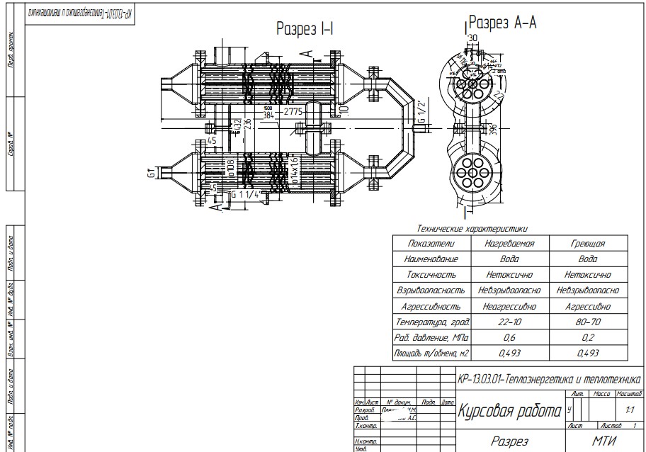
3. Теплотехнический расчет рекуперативного теплообменника
3.1. Исходные данные к расчету рекуперативного теплообменника
3.2. Конструктивный расчет рекуператора
3.2.1. Оценка площади поверхности теплообмена и сечений для движения теплоносителей
3.2.2. Определение геометрии поперечного сечения теплообменника
3.2.3. Расчет коэффициента теплопередачи и площади поверхности теплообмена
3.3. Поверочный расчет теплообменника
Заключение
Список литературы







