Описание
Курсовая работа на тему «Технико-экономическое сравнение систем отопления». Готовая работа МТИ Потребители и источники производства теплоты: курсовая работа + чертежи.
СОДЕРЖАНИЕ
ВВЕДЕНИЕ 3
1 ТЕОРЕТИЧЕСКИЕ ЧАСТЬ 5
1.1 Классификация систем отопления 5
1.2 Технико-экономическое сравнение систем отопления 5
1.3 Основное оборудование для различных систем отопления 5
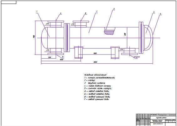
2 ПРАКТИЧЕСКАЯ ЧАСТЬ РАСЧЕТ РЕКУПЕРАТИВНОГО ТЕПЛООБМЕННИКА 6
ЗАКЛЮЧЕНИЕ 17
СПИСОК ИСПОЛЬЗОВАННЫХ ИСТОЧНИКОВ 18

ВВЕДЕНИЕ
В данной курсовой работе рассмотрим тему: «Технико-экономическое сравнение систем отопления».
Работа состоит из двух разделов теоретической и практической части. Рассмотрим классификацию систем отопления. Рассмотрим технико-экономическое сравнение систем отопления. И опишем основное оборудование для различных систем отопления.
В практической части работы рассмотрим расчет рекуперативного теплообменника.
Теплоснабжение представляет собой важнейшую составляющую системы жизнеобеспечения как жилых, так и промышленных объектов. В условиях роста энергопотребления, повышения требований к экологичности и энергоэффективности, а также в контексте устойчивого развития, вопросы, связанные с источниками производства теплоты и характером её потребления, приобретают особую актуальность. Теплоэнергетический комплекс обеспечивает тепловую энергию потребителям, включая население, предприятия и организации, создавая условия для функционирования инфраструктуры и комфортного проживания.
Разнообразие источников теплоты — от централизованных ТЭЦ до автономных котельных — обусловлено как техническими, так и экономическими параметрами. При этом значительную роль играют и особенности потребителей, различающихся по характеру тепловых нагрузок, режимам работы, требованиям к температурным графикам и параметрам теплоносителя. Эффективность теплоснабжения во многом зависит от правильного выбора схемы подключения, оптимального режима работы источников и рационального распределения тепловой энергии. Современные подходы в этой сфере направлены на снижение удельного расхода топлива, сокращение теплопотерь, внедрение автоматизированных систем управления и использование вторичных и возобновляемых источников энергии.
Цель работы: Произвести анализ технико-экономическое сравнение систем отопления.
Задачи работы:
Анализ технико-экономических сравнений разных систем отопления;
Изучение классификаций систем отопления;
Изучение основного оборудования для отопления;
Выполнение расчёта теплового потока и определение параметров теплообменной установки;
Формулирование выводов по эффективности применения различных типов теплообменников.







